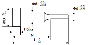
2단 이젝터핀(금형핀,에젝터핀,에젝터 핀)

정밀기기 설비, 우수한 원재료, 엄격한 품질관리 및 선진기의
노하우로 초정밀 금형 부품(에젝터 핀, 코아핀, 펀치등) 및
가전, 자동차에 사용하는 금속연마 전문 제조업체입니다.

천진한기기전유한공사 회사명
원산지: CHINA,KOREA
모델번호: Two Steps Ejector Pin
브랜드: HANIL
가격:
회사소재: 중국 천진시 진남구

회사명: 천진한기기전유한공사
회사홈페이지: www.sinoqook.com/hanqi 
회사 연락처: 86-22-8871-2034
오문석 총경리 연락처(이메일): 186-2227-4799 (daumeoh@hanmail.net)
담당자(1) SNS : 카톡ID :   위쳇ID :   라인ID :
제품소개



2단 이젝터 핀 - Two Steps Ejector Pin





 

회사소개

CEO 인사말

우선 저희 홈페이지를 방문해 주신 고객 여러분께 깊은 감사의 말씀을 드리겠습니다.

         

천진한기기전유한공사는 정밀기기 설비, 우수한 원재료, 엄격한 품질관리 및 선진기술의 노하우로
초정밀 금형 부품(에젝터 핀, 코아핀, 펀치등) 및 가전, 자동차에 사용하는 금속연마 전문 제조업체입니다.

당사는 한국에서 초정밀 금형부품 가공부품 개척자로서 한국 국제품질인증 KS마크 인증 및 끊임없는
개발과 연구로 기존, 수입에 의존하는 초정밀 금형부품을 독자 생산 및 수출까지 이루어내는 성과를
가져왔습니다
.

급변하는 외부환경에서 한발 앞서 준비하기 위해 끊임없는 기술개발과 품질개선 그리고 생산라인의
합리화를 통하여 제품의 개발 설계 및 생산에 있어서 고객의 요구에 충분히 대응하여 고객으로 하여금
품질 및 생산성 향상에 기여할 수 있도록 최선을 노력을 하겠습니다.

고객 여러분!
21
세기를 맞아 고객을 위한 세계화의 기업으로 끊임없이 노력하겠습니다
.


감사합니다.

                                                                         대표이사   오 세 일

회사 개요

주요 고객

한일정공(한국수출), MES(스위스) S.A, Nuova SME Bitron(이탈리아), 신오성기전, 한신정밀


회사연혁

1966.  한일정공사 설립

1967.  적산전력계 각종 축 생산 개시

1971.  가전제품 모터축과 타이머 핀 생산개시

1983.  VCR 카세트 테이프용 가이드 및 핀 생산

1984.  삼성전자 주식회사 협력업체 등록

1985.  현대모터스 금형부품 공업업체 지정

1985.  한국금형조합 가입(NO.144)

1987.  선도기업 선정

1989.  품질관리 분임조 경진대회 금상수상

1989.  납세 우량업체 표창- 재무부 장관상

1990.  품질관리 분임조 경진대회 은상수상

1991.  품질관리 1등급 인증 획득

1992.  주식회사 한일정공으로 법인전환

1993.  금형핀 펀치부분 공장라인 확장

1995.  무재해 5년 달성 노동부 장관 표창수여

1996.  중국법인 설립

1996.  모터축, 금형부품 생산개시

1997.  설비 확충

1999.  NOUVA SME(이탈리아) 공급업체 지정 

2002.  총투자 금액 150만 달러(증자)

2000.  ISO 9002 인증 획득(QSC 02681)

2002.  신공장 확장 (5OOO)

2003.  금형 공장 신축

2004.  QS-9000인증 획득

2005.  LG Electronics 공급업체 지정

2007.  ISO 9001인증 획득

2008.  중국 천진 해화공업원 공장이전

2010.  Brose와 계약 체결

2011.  TS 16949 품질관리 시스템 인증획득 

연락처 및 주소

- 회사명 : 천진한기기전유한공사

- 기업형태 : 한국외자기업(중국내 독자로 투자한 한국기업)

- 담당자(1): 오문석 총경리

- 담당자(1)핸드폰 : 186-2227-4799

- 담당자(2): -

- 담당자(2)핸드폰 : -

- 회사홈페이지: www.sinoqook.com/hanqi

- 회사연락처 : 86-22-8871-2034

- 팩스번호 : 86-22-2854-9983

- 회사주소 : 天津海河科技园区聚鑫道4号

- 회사약도 :

제품문의는 아래의 정보를 참조하세요.

제품문의 담당자정보

- 회사명 : 천진한기기전유한공사

- 담당자(1): 오문석 총경리

- 담당자 연락처(1)(이메일(1)) : 186-2227-4799 (daumeoh@hanmail.net)

- 회사연락처 : 86-22-8871-2034

- 담당자(2): -

- 담당자(2)핸드폰 : -

- 회사홈페이지: www.sinoqook.com/hanqi

- 회사연락처 : 86-22-8871-2034

- 팩스번호 : 86-22-2854-9983

- 회사주소 : 天津海河科技园区聚鑫道4号

- 회사약도 :

메시지보내기

보낸 메시지는 해당 제품을 판매하는 회사의 담당자에게 바로 전달됩니다. 답변은 마이페이지에서 확인 하실 수 있습니다.